一、线束分段结构及各用电器件和配电装置的连接
1、线束分段
目前自主品车系线束分段形式仿日系较多,如下图所示。该线束分段形式,线束分段较多,线束加工容易,装车方便,后期便于维修拆装。

2、线束与配电装置的连接方式
2.1直插式电器盒:通过硬线连接端子直接插入电器盒内部。

直插式电器盒特点:
#各支路导线与端子压接后直接与电器盒装配连接,可以包含简单的汇流条;
#可用于较高温度环境;
#原理分配主要靠连线完成、更改适应性强;
#成本相对较低;
#线束连线复杂,更换困难;
2.2 PCB式电器盒:通过接插件与电器盒板端对接

PCB式电器盒特点:
#线路连接采用一定厚度覆铜实现,通过增加焊接汇流条,也可承载较大电流。
#常用于温度不太高的驾驶舱等环境。
#结构紧凑,与线束端采用插接件对插连接,安装更换方便。
#更改不需报废大量模具。
2.3 电器件与配电装置的连接
电器件与配电装置的连接采用硬线连接,并且配电系统采用就近原则。发动机舱内负载的保险丝和继电器放在发动机舱保险丝盒中(发动机相关系统,变速箱,前大灯等);乘客舱内的负载和后车身负载的保险丝和继电器可以放在乘客舱保险丝盒。
二、线束在整车中的固定及保护
1、线束固定
护板固定、卡扣固定、扎带固定、管夹固定。
2、线束保护
主要覆盖物:
胶带类:PVC胶带、绒布胶带、布基胶带、工业塑料布、海绵胶带
管类:PVC管、波纹管、玻璃丝管
包扎方式:全缠、花缠、点缠
三、线束中的连接器尺寸、形状、材料以及在整车中的固定方式
1、端子的尺寸、形状、材料
端子是连接器完成电连接功能的核心零件。一般由公端子和母端子组成接触对,通过公、母端子的插合完成电连接。
1.1 端子的尺寸 汽车线束端子规格型号---点击这里查看
1.0以下规格、1.2~1.7规格、1.8规格、2.0~2.3规格、2.8规格、3.0规格 3.5规格、4.8~5.0规格、6.3规格、7.0~7.8规格、9.5规格。

1.2 端子的材料及形状
端子的材料一般为:黄铜、磷青铜、铍铜。常用的端子镀层材料为:锡、锡铅合金、金、银等。端子按照形状分:插座式端子、圆柱型端子、插头式端子、孔式端子、叉式端子、U型端子(卡点)、保险端子、灯座端子。
2、护套的类型、材料
2.1 护套的类型
护套可以分为:片形系列、圆柱形系列、混合系列、灯座系列、继电器座系列、仪表系列。常见材料为:ABS、PA6、PA66、PBT、PBT+ASA等。
片形系列可分为:1.0以下规格、1.2~1.7规格、1.8规格、2.0~2.3规格、2.8规格、3.0规格、3.5规格、4.8~5.0规格、6.3规格、7.0~7.8规格、9.5规格。
圆柱形系列:2.5以下规格、2.6规格、3.5~3.8规格、4.0规格。
混合系列:二线、三线、四线、五线、六线、七线、八线、十线、十一线、十二线、十三线、十四线、十五线、十六线、十七线、十八线、十九线、二十线、二十一线、二十二线、二十三线、二十四线、二十五线、二十六线、三十二线、三十三线、三十六线、三十九线、四十二线、五十二线、六十四线、八十一线。
灯座系列:一线、二线、三线。
继电器座系列:二线、三线、四线、五线、六线、七线、八线、九线、十线、组合继电器座。
仪表系列:一线、二线、三线、四线、五线、六线、八线、九线、十线、十一线、十二线、十三线、十四线、十六线、十七线、二十二线、二十五线。
3、护套的在整车上的固定方式
护套在整车上的固定方式主要包括:卡扣固定、护板固定。
四、导线的颜色和线径的选用
1、导线颜色代号 汽车线导线颜色代表方式--------点击这里查看

双色导线颜色标注,排列顺序从左到右:**位为主色;第二位为辅助色。
标注示例:
单色导线红色,标注为:R
双色导线主色为红色,辅助色为白色,标注为: RW
1.1导线颜色优先选用顺序

1.2导线颜色选用原则及说明
选用导线颜色时,应优先选用单色,再选用双色。各种汽车负载搭铁线应用黑色导线,黑色导线除作搭铁线外,不作其它用途。
2、导线线径的选用
2.1 导线使用种类
目前自主品牌使用导线种类主要包括日标导线和德标导线。日标导线使用的种类主要包括:AV、AVSS、AVSSX、AVX、AEX;德标导线使用的种类主要包括:FLRY-B、FLR9Y-B。
2.2 确定导线的线径
导线的线径与保险匹配可参考下表

五、线束的加工工艺及检查
1、线束加工工艺及检查
1.1 总流程
原材料入库全自动下线压接辅助作业压接防水栓导线检验打卡作业包口作业预装配作业装配作业流水线作业100%电检测全数外观检查包装作业入库
1.2 下线工序
下线工序是将导线根据工艺文件进行裁切、剥头、捆扎的过程。
备齐材料→调整设备首件检验(测量线长、剥头)批量生产(中、末检100%自检)整理导线→待周转。
下线工序中需要对线长、全剥头及半剥头长度、开口长度等工艺参数进行测量。
1.3 压接工序
压接工序是将导线和端子作用在一起的工艺过程
备齐材料调整设备做首件首件检验(千分尺测量压接高度、压接宽度)批量生产(中、末检100%自检压接质量)待周转
压接工序需要对是否有R角,芯线及绝缘皮可见范围是否在公差范围、芯线压着部位及绝缘皮压着部位是否有损伤以及压接扭曲度等工艺参数进行测量。
1.4 辅助工序
辅助工序包括穿防水栓、烤热缩管、卡点包扎、绑线等。辅助工序中多为人工操作,检验过程需要填写下线辅助作业半成品生产状态记录表,根据工艺要求进行检验。
1.5 预装
预装配是将下线或压接后的半成品同护套、管类、橡胶件等零部件装成新的半成品的过程。
备齐材料一插二听三回拉安装自锁
一插二听三回拉过程按照《导线装配手力训练规范》的用力标准将导线轻轻回拉完成自检。
1.6 总装
总装是将下线或压接后的半成品、预装后的半成品同其他材料组合成线束成品的过程。
1.7 检测工序
检测工序是在检测台上进行测试主要包括100%电检测、影像检测、外观检测、安装附件检测、功能检测。
100%电检测及外观检测每个成品都需要进行,影像检测主要检测带有保险盒的线束以确定保险及继电器插接位置是否正确, 功能检测台主要用于检测线束中继电器的工作状态和继电器能否正常工作,还有需要检测保险盒中螺栓的扭矩。
1.8 包装工序
撑箱、封箱尼龙绳捆扎装箱、摆放整齐胶带封箱贴合格证、流水号粘打包带入库
六、线束中的导线、端子以及各关键部件的技术参数和认可实验
1、导线的技术参数
导线的技术参数可参考下表1、表2

表1

表2
2、导线的相关认可实验
2.1 日标导线相关认可实验
日标线主要应用标准为JASO D608、JASO D611、JIS C 3406等,其中标准中规定的试验项目有:结构试验、导体电阻试验、耐电压试验、绝缘电阻试验、绝缘抗张强度试验、耐油试验、耐热试验、耐低温试验、阻燃试验、热收缩试验、耐磨试验、交联度试验等。
2.2 德标导线相关认可实验
德标线主要应用标准为DIN 72551,其中规定的试验项目有:绝缘可剥离性试验、绝缘附着力试验、绝缘耐磨性试验、热收缩试验、耐热压性试验、热过载试验、动态弯曲性试验、加速寿命试验、阻燃性试验以及绝缘热稳定性试验等。
3、端子的技术参数
3.1 端子技术参数依据国标QC/T1067
端子的载流能力可参考下表

4、继电器相关技术参数
目前自主车系继电器使用较多为宏发继电器,主要使用的类型有HFV11,HFV6、HFV4、HFV7。
4.1 HFV11继电器

特性:
具有一组常开触点形式
最大连续电流:20A
工作温度:-40°C~C125°C
4.2 HFV6继电器

特性:
具有一组常开、一组转换触点形式
30A触点切换能力(阻性)
工作温度高达125°C

4.3 HFV4继电器

特性:
具有一组常开、一组转换触点形式
最大连续电流:常开触点:60A(23C)
常闭触点:40A(23C)

4.4 HFV7继电器

特性:
具有一组常开触点形式
最大连续电流:70A(23C)
50A(85C)
工作温度高达125C
可带瞬态抑制电阻
![]()

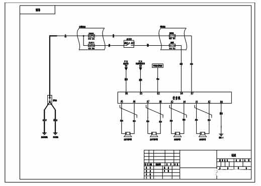
七、原理图、线束图、生产工艺图、售后服务用图图纸画法及各符号含义
1、原理图
原理图主要以分系统原理形式来体现。
![]()

2、线束图
线束图各配置以合图形式体现。

3、生产工艺图
生产工艺图纸中信息相对较少,仅满足生产需要即可。

4、售后服务用图
售后服务用图基本与设计状态的原理图一致。
5、原理图中各符号含义

对于图形符号的说明:
交叉连接:如交叉的两条线为同种颜色表示交叉连接,不同种颜色表示在空间上交叉但是没有物理的连接。
橡胶件:制图时首先选用实车橡胶件的平面图,如无实车橡胶件的平面图,则使用图8-1中的参考图形。
对接件A:对接件A表示前端是插座,后端是插头。实际作图时,应根据真实的布线方向适当调整。
对接件B:对接件B表示一个插头对应两个插座,前端是插座,后端是插头。实际作图时,应根据真实的布线方向适当调整。
八、标准和实验方法
1、导线选择标准
日标导线选择执行标准JASO611
德标导线选择执行标准DIN 72551
2、保险选择标准
保险选择执行力特保险或太平保险标准。
3、接插件选择标准
接插件选择标准执行国标QC/T1067。
4、继电器选择标准
继电器选择标准执行宏发标准。
5、实验方法
线束实验执行汽车行业标准QC/T29106
电器盒实验执行汽车行业标准QC/T707
接插件实验执行汽车行业标准QC/T1067
声明:禁止复制或转载本站任何内容!

